Вы не вошли.


Да это не АРУ, она не работает 
Добавлено спустя 33 с:
Попробую вместо Дарлингтона в схеме Шиклаи
Вне форума


Шиклай не заработал. Дарлингтон из трёх транзисторов рабоиает хуже, чем из двух.
Отредактировано Miha (26.02.2026 17:40:31)
Вне форума


Попробуй из 4х
Астанавитесь!
Добавлено спустя 01 мин 05 с:
, а компрессор сигнала,
Только он выглядит не так 
И он будет плодить нечетные гармоники в звуке.
Отредактировано Jaxon (26.02.2026 17:49:21)
Вне форума


Вот так он выглядит :
radiostorage.net/110-skhema-radiopriemn … t-105.html
А вот организм идет твоим путем - компиляции всего подряд, но уже с АРУ :
www.myhomehobby.net/srednevolnovyj-prie … ija-s-aru/
Лично я бы входной каскад оставил как у тебя, и после него - ОБ, которая включена в цепь АРУ
Вне форума


Лично я бы входной каскад оставил как у тебя, и после него - ОБ, которая включена в цепь АРУ
Согласен, но я хочу оставить второй каскад на Дарлингтоне, очень нравится работа, дополнительный каскад с ОБ будет избыточное усиление. Да и, чтото я не заметил изменений постоянного напряжения на выходе данного детектора, вероятно, потому, что диоды включены непосредственно в коллектор транзистора, а не через ёмкость, как у простого детектора на диодах, поэтому есть сомнения по эффективности данной АРУ, но могу ошибаться. За идею благодарю! Прсмотрим, хочу попробовать подобную АРУ : youtu.be/C4g7QRmFnr8?si=l-vb2bMlwiTbh4tQ
В детекторе поставил вместо двух - 3 диода в Б-К , усиление стало ещё больше.
Отредактировано Miha (27.02.2026 09:35:46)
Вне форума


Пока думаю, где взять фоторезистор, намотал катушку на 23 mH, как и сама МА, для преселектора. Хорошие сердечники, 9 витков и такая индутивность. Пытался намотать на кольцах, при том же количестве витков, индуктивность 0,1 mH
, взял ВЧ контур от приёмника, замудохался мотать "километры" провода, а тут всего 9 витков, чудо сердечники

Вне форума


Х@йня это , а не АРУ. Ограничивать надо по входу, чтоб не перегружать УРЧ и детектор.
Добавлено спустя 01 мин 42 с:
чудо сердечники
Это с фильтра сердечник?
Вне форума


Ограничивать надо по входу, чтоб не перегружать УРЧ и детектор.
Так это и хочу сделать, фоторезистор на вход УРЧ или детектора , управление от отдельного УРЧ , который будет менее чувствителен, реагировать будет только на местные станции и всё. Смотрю схемы индикаторов точной настройки, может найдётся хорошая идея организации управления светодиодом. Не хочется шунтировать вход, посмотрим.
Добавлено спустя 01 мин 22 с:
Это с фильтра сердечник?
Да, от фильтра, я спилил щёчки на катушке. Раньше применял такие сердечники, всё нормально.
Добавлено спустя 04 мин 16 с:
Такой сердечник на этом диапазоне вполне годный. Намотал литцем с проводом потолще, должна получится хорошая добротность, витков мало, должно хорошо работать.
Отредактировано Miha (01.03.2026 00:12:38)
Вне форума


Очень хорошо работает фотодиод в цепи ООС коллектор-база
Только нужно создать абсолютную темноту, малейший свет и вместо мОм , уже сотни кОм
Схема будет супер, сейчас соберу управление светодиодом.
Вне форума


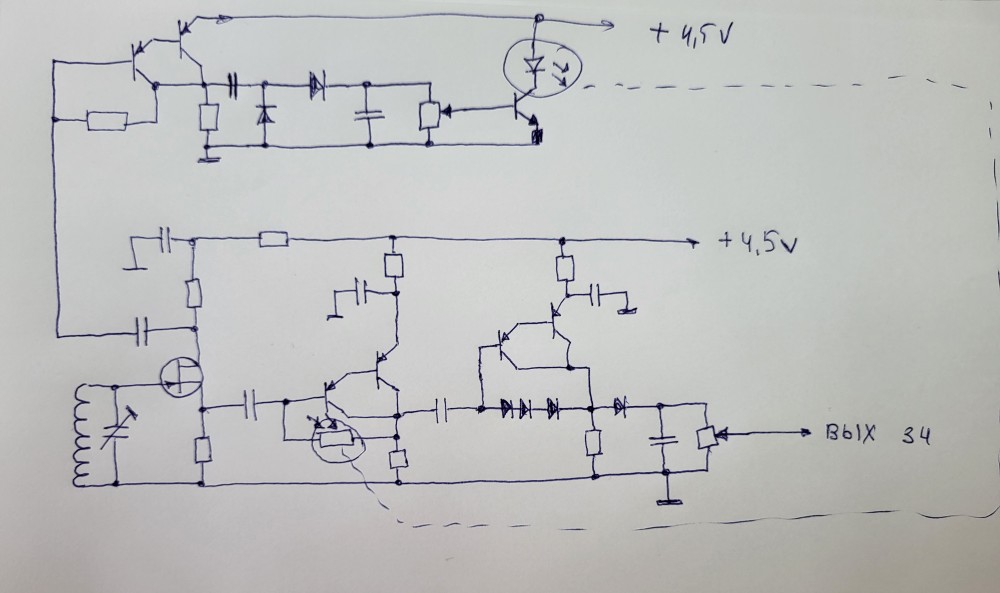
После долгих экспериментов, пришёл к такой схеме АРУ. Она не шунтирует сигнал. Работает отменно!
Реагирует только на местные станции, остальные ниже порога детектироаания АРУ детектора

Отредактировано Miha (03.03.2026 16:37:26)
Вне форума
[ Сгенерировано за 0.061 сек, 7 запросов выполнено - Использовано памяти: 602.65 Кбайт (Пик: 653.02 Кбайт) ]