Вы не вошли.


ГЫ, похоже у них конденсаторы посохли в БП
Фон, как любительской поделке 
Вне форума


Фон, как любительской поделке
Радиохулиганы 
Добавлено спустя 07 мин 23 с:
И у меня когда то такой был, пока входные цепи УНЧ не заэкранировал. Друзья приятели сказали, теперь тебя бак класно слышно 
Вне форума


Хотелось бы увидеть этот приёмник, собранный на макетке. Особенно, с другой стороны платы
С другой стороны платы сплошная лужёная медь .
Вот , как ловит, первая сианция Венгрия, вторая Болгария, также ловит китайцев, арабов... очень хорошо детектирует слабые сигналы, детектор на транзисторе эмитерный повторитель, сейчас намотаю МА на ДВ, посмотрим, какая частота у той станции.
youtube.com/shorts/mO_xG1w44Pc?si=xKKF1KzyTedB4G00
Добавлено спустя 01 мин 49 с:
Отредактировано Miha (11.01.2026 17:14:47)
Вне форума
лужёная медь
Лучше - полированная. На ВЧ, токи идут по самой поверхности. Для Вас вот нашёл - почитайте.
Возьмем не такую уж и высокую частоту 100 МГц (сравните ее с тактовой частотой процессора своего компьютера или смартфона). Это FM диапазон и самое начало телевизионного. А в компьютерной технике эту частоту уже давно и не вспоминают. Так вот, толщина скин-слоя в меди на этой частоте составляет 7 микрон! Это почти в 10 раз меньше толщины человеческого волоса! На такой частоте сопротивление жилы антенного кабеля (провода сечением 0,2 мм2) возрастает в 20 раз – а вспомните, что кабель прокладывается иногда на десятки метров! Даже по тонкой дорожке печатной платы ток течет не по всему сечению, а примерно по половине. Поэтому на ВЧ не рекомендуется облуживать дорожки: заметная часть тока будет протекать не в меди, а по слою припоя, у которого сопротивление в 4 раза выше (и по нижней стороне печатного проводника, который медный, что радует). А вот серебрить – это неплохо. Вот на таких частотах и начинают сказываться всякие вещи, типа влияния шероховатости поверхности провода на его сопротивление. На более высоких частотах скин-эффект становится настолько сильным, что ток начинает распространяться не по проводам, а как вода: по трубам – волноводам, отражаясь от стенок и не попадая внутрь металла.
Саша
Вне форума


А какой там входной каскад ?
Вне форума


А какой там входной каскад ?
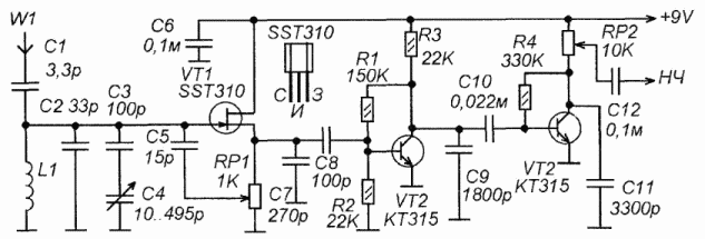
Полевик с непосредственной связью с МА.
Добавлено спустя 07 мин 56 с:
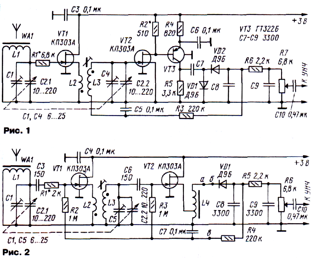
Улучшать избирательность буду "поженив" эти две схемы: 

ПОС из первой схемы снимать с истока VT2 второй схемы.
Вне форума


Когда я писал, "Хотелось бы увидеть этот приёмник, собранный на макетке", речь шла о SONY CFD-380L.
Что до приёмников, схемы которых приведены в предыдущем посте, то, при неверной топологии, им грех не свистеть. В первом, умножитель добротности. По сути, недовозбуждённый генератор.
Две вторых содержат два контура, настроенных на одну частоту и связанных через активный элемент. При непродуманном монтаже или плохой экранировке, тоже генератор. К стати, обычный эмиттерный, или катодный, или истоковый повторитель, при комплексной нагрузке, тоже радостно возбуждается через паразитные ёмкости. Так что, похоже, источник проблем уже в выбранной схемотехнике. Не всё, нарисованное на бумаге, работает как описано автором, или хочется Вам.
Улучшать избирательность буду "поженив" эти две схемы:
Нет бы, парой связанных контуров, как в Радио № 12 за 93-й год. Да и при нынешней загруженности ДВ и СВ, избирательность на этих диапазонах, дело десятое.
Отредактировано I_Avals (12.01.2026 13:56:40)
No one is perfect.
Вне форума


Нет бы, парой связанных контуров, как в Радио № 12 за 93-й год.
Спасибо, посмотрю.
Да и при нынешней загруженности ДВ и СВ, избирательность на этих диапазонах, дело десятое.
Проблема в местной радиостанции, которая слышна во всём диапазоне, ну и загруженость хорошая, я вёл приём на крыше высотки, ночью там станцияи протолкнуться негде
Только слушать там нечего .
Отредактировано Miha (12.01.2026 14:06:53)
Вне форума


Только слушать там нечего
Ну, иногда цель не столько слушать станции, как решить какую то техническую задачу. А уж если в приёмнике уже есть два перестраиваемых контура, лично я бы выбрал супергетеродин. Проблема местной радиостанции вполне может быть решена фильтром-пробкой. А если антенны местной радиостанции видны в окно, тут без экранирования никак. Причём, абсолютно все контура должны находится внутри экрана, во избежание прямых наводок на цепи. И тут мы приходим к конструкции обычного связного приёмника, который общается с внешним миром исключительно через антенный разъём.
No one is perfect.
Вне форума


Проблема в местной радиостанции, которая слышна во всём диапазоне, ну и загруженость хорошая, я вёл приём на крыше высотки, ночью там станцияи протолкнуться негде good Только слушать там нечего .
вот такое должно работать :
radiostorage.net/122-sinhronnyj-am-prie … torah.html
желание еще со школы собрать
Все времени не хватает.
Только плавную перестройку не просто сделать - гетеродин работает на частоте в 4 раза выше станции. Но можно отдельно настраивать, для начала
Добавлено спустя 04 мин 49 с:
Нет бы, парой связанных контуров, как в Радио № 12 за 93-й год
Да, про такое хотел написать, а Поляков уже все написал 30 лет назад.... 
Вне форума
[ Сгенерировано за 0.077 сек, 14 запросов выполнено - Использовано памяти: 632.06 Кбайт (Пик: 682.43 Кбайт) ]